当前位置: |
/ 重整-芳烃联合装置 |
当前位置: |
/ 重整-芳烃联合装置 |
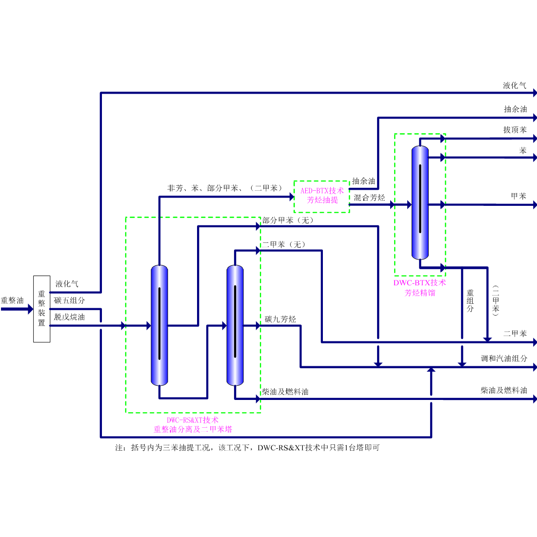
泽华为重整油分离提供了整体解决方案。主要技术路线是在重整油预分离、二甲苯分离和BTX精馏工段采用隔板精馏技术,并结合泽华的芳烃抽提专利技术,其工艺优势如下:
1.能够兼顾汽油调和与芳烃产品,重整油预分离塔采用隔板塔,可以灵活根据市场需求调节甲苯去芳烃产品和调和汽油的比例,保持能耗最低,市场效益最佳;
2.二甲苯塔采用隔板塔,液相侧采,在能耗最低的情况下解决了普通工艺二甲苯塔塔底汽油调和油干点高的问题;
3.高效、低能耗、长周期稳定运行的芳烃抽提(萃取精馏)AED®-BTX工艺,可以处理BTX三苯原料;
4.BTX精馏采用一个隔板塔,同时能得到苯、甲苯、二甲苯产品,能耗低,投资省;
5.重整分离整体工艺可以最大程度的为用户降低一次性投资,占地面积和操作能耗。