1.根据行业技术发展趋势提出研究方向;
2.针对市场和用户的实际需求确定工艺开发的内容和目标;
3.依托学校的科研力量进行基础数据的测定;
4.依靠自身的设计能力完成工艺过程的模拟、优化和流程确定;
5.完成整套工艺包设计;
6.与用户合作,开展工业化应用及商业化推广。
催化剂研发
热力学模型分析
相平衡分析
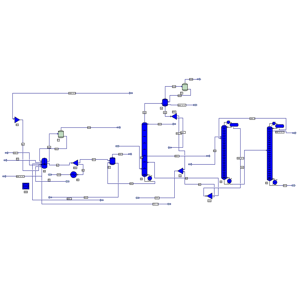
流程规划
工艺包设计
装置建成