• 泽华凯泰
  • 美国AMT
  • 北京泽华
  • 荷兰ZTS
  • 抚顺泽华
  • 中文 |
  • English |
  • Русский язык |
logo图标 广告语
热门搜索: ADV 填料 塔盘 塔内件
  • 首页
  • 关于泽华
  • 技术研发
  • 设计制造
  • 资料下载
  • 工程业绩
  • 专业优势
  • 联系我们
当前位置:
  • 首页
  • 技术研发
  • 工艺技术开发
/

工艺技术开发

1.根据行业技术发展趋势提出研究方向;

2.针对市场和用户的实际需求确定工艺开发的内容和目标;

3.依托学校的科研力量进行基础数据的测定;

4.依靠自身的设计能力完成工艺过程的模拟、优化和流程确定;

5.完成整套工艺包设计;

6.与用户合作,开展工业化应用及商业化推广。

工艺技术开发-催化剂

催化剂研发

幻灯片1

热力学模型分析

幻灯片2

相平衡分析

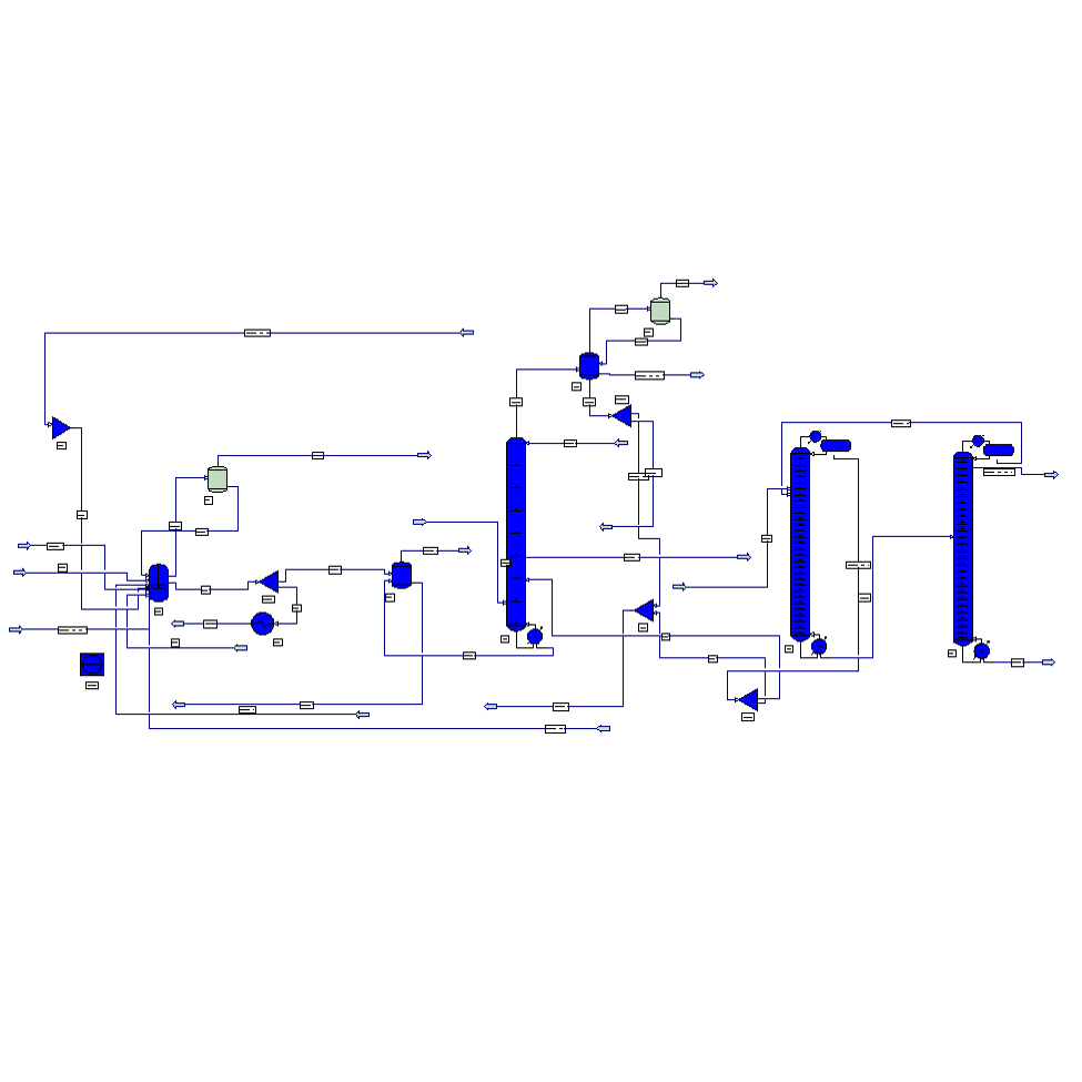
稳态模拟

流程规划

流程图-4

工艺包设计

装置建成

装置建成

技术发展

  • 工艺技术开发
  • 塔板技术开发
  • 填料技术开发
  • 除沫器技术开发
  • 软件开发
  • 知识产权保护
  • 与FRI的合作
版权所有© 2024 北京泽华化学工程有限公司 京ICP备05019370号-1
地址:地锦路7号院8号楼 投诉电话:010-58317126 投诉邮箱:fgs@zehua-chem.com
邮箱:zehua@zehua-chem.com 电话:010-58317000(服务时间8:30-17:00)
技术支持: 远齐科技   访问量:   547710